Volkswagen Super Beetle, Beetle & Karmann Ghia (Type 1)
|
|
The Volkswagen Repair Manual: Super Beetle, Beetle and Karmann Ghia: 1970-1979 is a definitive reference source of technical automotive repair and maintenance information for the classic air-cooled Volkswagen Type 1 models. Click here to view specific chassis number coverage for this Beetle repair manual.
The aim throughout has been simplicity, clarity and completeness, with practical explanations, step-by-step procedures, and accurate specifications. Though the do-it-yourself Volkswagen owner will find this manual indispensable as a source of the same detailed maintenance and repair information available at an authorized Volkswagen dealer, the Volkswagen owner who has no intention of working on his or her car will find that reading and owning this manual will make it possible to discuss repairs more intelligently with a professional technician. This Volkswagen Type I service manual covers Beetles, Super Beetles, VW Convertibles and Karmann Ghias for the model years 1970 through 1979. This manual was created specifically to cover air-cooled Volkswagen models built for sale in the United States and Canada. Technical features:
|
Volkswagen Type 1, 1971
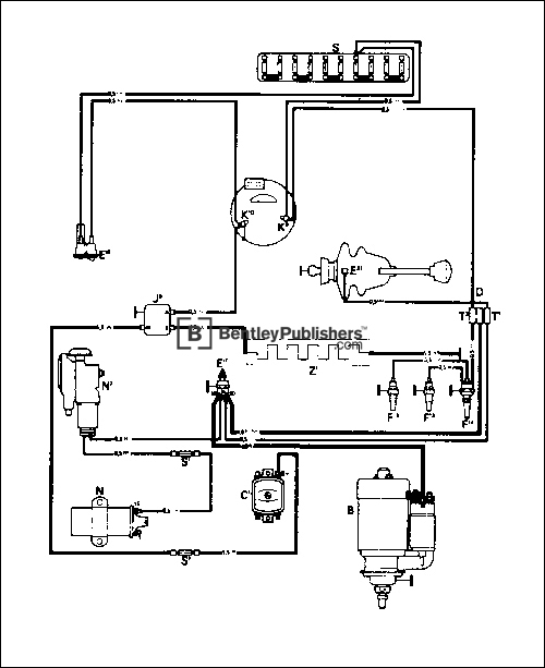
Lubrication and Maintenance
See how to perform routine maintenance procedures, such as adjusting Alternator or Generator belt tension.
Engine
Cylinder head service and reconditioning, including complete cylinder head and valve train specifications.
Transmission and Rear Axle
Transmission, differential and drive axle repair and rebuilding, including procedures for repairing and replacing CV joints.
|
BSIN: V179
ISBN: 0-8376-1623-9 (ISBN-10)
ISBN: 978-0-8376-1623-0 (ISBN-13)
Permalink: http://www.bentleypublishers.com/c/V179
![[B] Bentley Publishers](http://assets1.bentleypublishers.com/images/bentley-logos/bp-banner-234x60-bookblue.jpg)






